정사각형 NPN PNP 평면 유도 센서는 인덕턴스 원리를 사용하여 물체의 근접성을 감지하는 비{0}}센서입니다. 고주파 발진기와 증폭 처리 회로로 구성됩니다.- 금속 물체가 센서의 감지 헤드에 접근하면 물체 내부에 와전류가 생성됩니다. 이 와전류는 근접 스위치에 반응하여 근접 스위치의 발진 능력을 감쇠시키고 내부 회로의 매개변수를 변경합니다. 이를 통해 금속 물체가 접근하는지 여부를 식별하고 스위치의 켜짐 또는 꺼짐을 제어할 수 있습니다.
주요 장점
- 소형 설계: 일반적으로 소형 정사각형 또는 직사각형 구조(예: M8, M12 또는 더 작은 크기)가 특징이므로 공간이 제한된 최신 자동화 장비에 설치하기에 이상적입니다.{2}}
- 비{0}}접촉 감지: 물리적 접촉 없이 금속 타겟을 감지하므로 마모가 없고 수명이 길어집니다.
- 빠른 응답 속도: 높은 스위칭 주파수는 고속 생산 라인의 카운팅 및 위치 지정 요구 사항을 충족합니다.-
- 강력한 -간섭 방지 기능: 내부 기계적 접촉이 없고 우수한 밀봉(일반적으로 IP67 보호 등급)이 특징이므로 기름, 먼지, 습기 등 혹독한 산업 환경을 견딜 수 있습니다.
- 유연한 설치: 정사각형 구조는 일반적으로 여러 장착 표면을 제공하므로 고정 장치, 가이드 레일 또는 기계 내부에 쉽게 통합할 수 있습니다.
산업 응용
위치 피드백 구성 요소로서 유도 센서는 거의 모든 자동화 제어 산업 및 분야에서 널리 사용되어 자동 제어 시스템의 감지 및 안정적인 작동에 핵심적인 역할을 합니다.
1. 자동차 제조 산업에서의 적용 평면 유도 센서는 가까운 거리에서 금속 물체를 찾는 일반적인 방법입니다. 그것은 자동차 제조 산업에서 널리 사용됩니다. 자동차 제조 공정은 주로 스탬핑, 용접 및 도장, 최종 조립의 네 가지 주요 부분으로 구성됩니다. 유도형 센서는 모든 부품에 널리 사용됩니다. 특히 용접, 도장 및 조립 작업장에서는 미끄러짐 감지 또는 레일 분리 감지에 역할을 하는 축적 및 배출 체인 컨베이어 라인에 많은 유도 센서가 분산되어 있습니다.
2. 공작기계 산업에서의 적용
공작기계는 첨단 제조 기술의 전달체이자 주요 장비 산업의 기본 생산 수단입니다. 이는 장비 제조 산업의 기본 장비이며 주로 군수 산업, 농업 기계, 엔지니어링 기계, 전력 장비, 철도 기관차 및 선박과 같은 산업에 사용됩니다. 공작기계 산업에서는 전기 센서가 널리 사용됩니다. 변위, 크기, 압력 모멘트 측정에 자주 사용됩니다. 또한 계수, 변형률, 흐름, 비중, 금속 위치 결정 및 비{4}}비파괴 테스트 분야에도 많이 적용됩니다.
3. 로봇산업에의 응용
포지셔닝 및 감지 수단으로 다양한 센서가 생산 라인의 모든 측면에서 대중화되었으며, 특히 자동화 로봇에 사용되는 머신 비전 센서와 포지셔닝에 널리 사용되는 평면 유도 센서가 있습니다. 유도형 센서는 전체 라인의 작동 상태를 실시간으로 모니터링합니다.

FAQ
Q: 소형 평면 유도 센서를 설치하고 사용할 때 일반적인 주의 사항과 오해는 무엇입니까?
A: 신뢰성을 보장하려면 올바른 설치와 사용이 중요합니다.
- 설치 주의사항:
금속 간섭 방지: 금속 장착 브래킷, 베이스 플레이트 또는 기계 본체에 근접하지 않도록 센서 감지 표면 주위에 일정한 공간(보통 감지 거리의 1배)을 남겨 두어야 합니다. 그렇지 않으면 센서 오작동 또는 감지 거리 감소로 이어질 수 있습니다. 장착 브래킷에 비-금속 재료(예: 플라스틱)를 사용하는 것이 좋습니다.
대상 물체 정렬: 금속 대상 물체가 감지 표면에 수직인 감지 영역에 들어가고 대상 물체의 크기가 최적의 결과를 위해 센서의 감지 표면 크기보다 작지 않은지 확인하십시오.
조임 토크: 적절한 너트나 나사를 사용하여 고정하고, 과도하게 조이면 하우징이 변형되거나 손상될 수 있으므로 피하십시오.
- 배선 및 전기적 주의 사항:
NPN/PNP를 올바르게 구별하십시오. 이것은 가장 일반적인 배선 오류입니다. 전원 공급 장치의 양극 및 음극 단자와 신호 라인을 연결하려면 항상 사용 설명서를 참조하십시오.
부하 보호: 유도 부하(예: 계전기, 솔레노이드 밸브 코일)를 구동하는 경우 유도 전압 스파이크로 인해 평면 유도 센서의 내부 회로가 손상되는 것을 방지하기 위해 환류 다이오드를 부하 전체에 병렬로 연결해야 합니다.
전원 공급 안정성: 안정적이고 깨끗한 DC 전원 공급 장치를 사용하고 모터 및 인버터와 같은 고전력 장비와 동일한 전력선을 공유하지 마세요.- 필요한 경우 필터를 설치하십시오.
인기 탭: 평면 유도 센서, 중국 평면 유도 센서 제조업체, 공급업체, 공장, 가변 유도 트랜스 듀서미니 유도 센서PNP 3 와이어 센서5mm 근접 센서
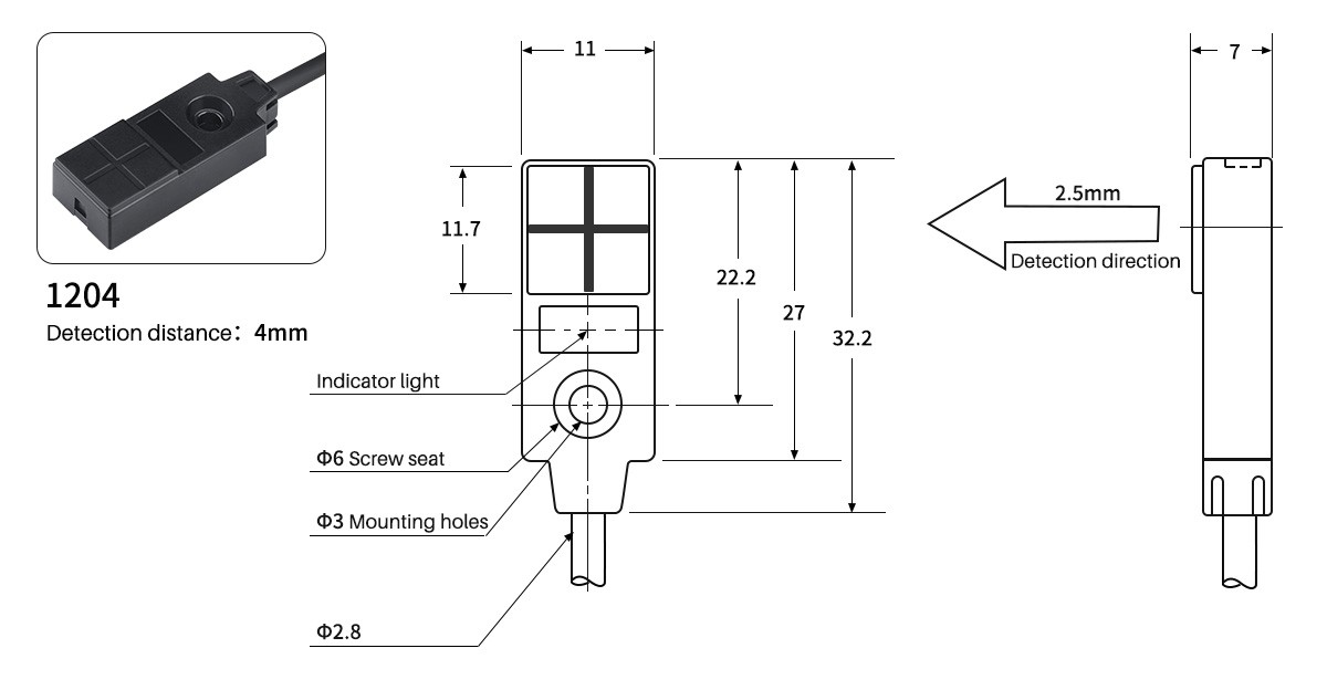
각형 유도형 센서 사양
| 모델 | 감지 거리 | 거리 설정 | 움직임의 차이 | NPN/PNP | 작동 모드 | 표준시험물질 | 공급 전압 | 소비전류 | 짐 | 잔류전압 | 스위칭 주파수 | 보호 회로 | 주변 온도 | 주변 습도 | 보호등급 |
| GPL-0802-NO-2m | 2.5mm | 0-1.8mm | 감지거리 10% 이내 | NPN | 평상시 열려 있음 | 연강(ST37) | 10-30VDC 이하 | 8mA 이하 | 100mA 이하 | 1V 이하 | 1.2KHz | 출력 극성 역접속 보호, 전원 역접속 보호, 서지 흡수, 단락 보호 | -25-70도 | 35%~95%RH | IP67 |
| GPL-0802-NC-2m | 정상 마감 | ||||||||||||||
| GPL-0902-NO-2m | 평상시 열려 있음 | ||||||||||||||
| GPL-0902-NC-2m | 정상 마감 | ||||||||||||||
| GPL-1204-NO-2m | 4mm | 0-3.2mm | NPN | 평상시 열려 있음 | 1KHz | ||||||||||
| GPL-1204-NC-2m | 정상 마감 | ||||||||||||||
| GPL-1204-PO-2m | PNP | 평상시 열려 있음 | |||||||||||||
| GPL-1204-PC-2m | 정상 마감 | ||||||||||||||
| GPL-1705-NO-2m | 5mm | 0-4mm | 감지거리 10% 이내 | NPN | 평상시 열려 있음 | 연강(ST37) | 10-30VDC 이하 | 8mA 이하 | 100mA 이하 | 1V 이하 | 1KHz | 출력 극성 역접속 보호, 전원 역접속 보호, 서지 흡수, 단락 보호 | -25-70도 | 35%~95%RH | IP67 |
| GPL-1705-NC-2m | 정상 마감 | ||||||||||||||
| GPL-1705-PO-2m | PNP | 평상시 열려 있음 | |||||||||||||
| GPL-1705-PC-2m | 정상 마감 | ||||||||||||||
| GPL-1805-NO-2m | NPN | 평상시 열려 있음 | |||||||||||||
| GPL-1805-NC-2m | 정상 마감 | ||||||||||||||
| GPL-1805-PO-2m | PNP | 평상시 열려 있음 | |||||||||||||
| GPL-1805-PC-2m | 정상 마감 | ||||||||||||||
| GPL-2510-NO-2m | 10mm | 0-8mm | 감지거리 10% 이내 | NPN | 평상시 열려 있음 | 연강(ST37) | 10-30VDC 이하 | 8mA 이하 | 100mA 이하 | 1V 이하 | 800Hz | 출력 극성 역접속 보호, 전원 역접속 보호, 서지 흡수, 단락 보호 | -25-70도 | 35%~95%RH | IP67 |
| GPL-2510-NC-2m | 정상 마감 | ||||||||||||||
| GPL-2510-PO-2m | PNP | 평상시 열려 있음 | |||||||||||||
| GPL-2510-PC-2m | 정상 마감 | ||||||||||||||
| GPL-3010-NO-2m | NPN | 평상시 열려 있음 | |||||||||||||
| GPL-3010-NC-2m | 정상 마감 | ||||||||||||||
| GPL-3010-PO-2m | PNP | 평상시 열려 있음 | |||||||||||||
| GPL-3010-PC-2m | 정상 마감 | ||||||||||||||
| GPL-4020-NO-2m | 20mm | 0-16mm | 감지거리 10% 이내 | NPN | 평상시 열려 있음 | 연강(ST37) | 10-30VDC 이하 | 8mA 이하 | 100mA 이하 | 1V 이하 | 400Hz | 출력 극성 역접속 보호, 전원 역접속 보호, 서지 흡수, 단락 보호 | -25-70도 | 35%~95%RH | IP67 |
| GPL-4020-NC-2m | 정상 마감 | ||||||||||||||
| GPL-4020-PO-2m | PNP | 평상시 열려 있음 | |||||||||||||
| GPL-4020-PC-2m | 정상 마감 |










